Avibro AVM-M 650/3 674 Kg/F 550 W 3000 D/D 220 V Monofaze Vibrasyon Motoru
                            
                            0 Yorum - 0.00 Puan
                        
                                                    %13
                                                                
                                                17.158,05 TL
                                            
                                                                                
                                            19.609,20 TL
                                        
                                    Fiyatlara KDV dahildir.
                                
                                                                    
                                17.158,05 TL'den başlayan taksitlerle!!
                            
                                            Kargo
                                    ÜCRETSİZ KARGO
                                Ağırlık (kg)
                                    14,90 kg
                                Elektrik
                                    220 / 230 V Monofaze
                                Frekans (Hz)
                                    50 Hz
                                Motor Devri (D/D) | Kutup Sayısı (P)
                                    3.000 D/D / 2 Kutup
                                Ortam Sıcaklığı (ºC)
                                    -20ºC...+50ºC
                                Güç (kW) | (W)
                                    0,55 kW / 550 W
                                Statik Moment (kgmm)
                                    66,90 Kgmm
                                Santrüfüj Kuvveti (Kg/F) / (KN)
                                    674,00 Kg/F / 6,61 kN
                                Garanti Süresi
                                    12 Ay
                                
                                                                                    Fiyat
                                                                            
                                    16.341,00 TL + KDV
                                Havale
                                    
                                        16.814,89 TL
                                                                                    (%2,00 havale indirimi)
                                                                            
                                Avibro AVM-M 650/3 674 Kg/F 550 W 3000 D/D 220 volt Monofaze Vibrasyon Motoru
Firmamız Avibro Monofaze Vibrasyon Motorları'nın ana bayiliğini yapmaktadır.
Avibro Monofaze Vibrasyon Motorları elekler, besleyiciler, boşaltıcılar, ayrıştırıcılar, besleyici huniler, sıkıştırıcılar vb. uygulamalarda kullanılmak üzere geliştirilmişlerdir.
Avibro Tek Fazlı Vibrasyon Motorları kullanımı için Avibro Vibrasyon Motorları Kullanma Kılavuzunu da incelemenizi tavsiye ederiz.
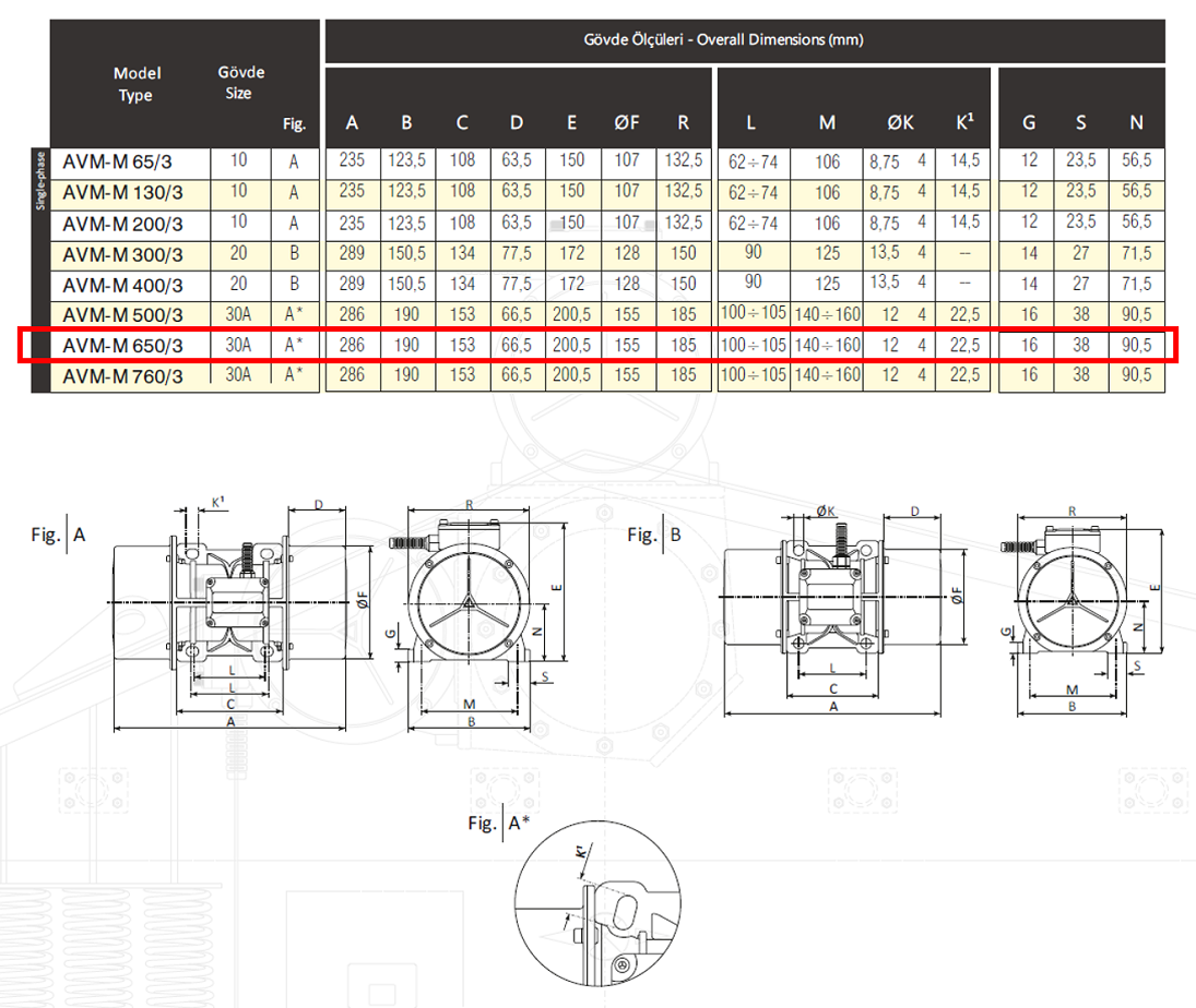
Avibro AVM-M 650/3 550 W 3000 D/D 220 volt Monofaze Vibrasyon Motoru'na ait Mekanik Özellikler ve Elektriksel Özellikler Tablosu'nu ve Gövde Ölçüleri Tablosu ve Teknik Çizimi'ni aşağıda bulabilirsiniz.  
Ürünlerimiz arasında bulunan diğer 230 volt Monofaze Vibrasyon Motorlarını ve Avibro 220 volt Monofaze Vibrasyon Motorlarını da inceleyebilirsiniz.
Avibro AVM-M 650/3 674 Kg/F 550 W 3000 D/D 220 volt Monofaze Vibrasyon Motoru Mekanik özellikler ve Elektriksel özellikler Tablosu

*Eğer yukarıdaki tablo sayfanızda çıkmıyorsa lütfen buraya tıklayınız.
Avibro AVM-M 650/3 674 Kg/F 550 W 3000 D/D 220 volt Monofaze Vibrasyon Motoru Gövde Ölçüleri Tablosu ve Teknik Çizimi

*Eğer yukarıdaki tablo sayfanızda çıkmıyorsa lütfen buraya tıklayınız.
                    Bu ürüne ilk yorumu siz yapın!